VİZE VE FİNAL SORULARI
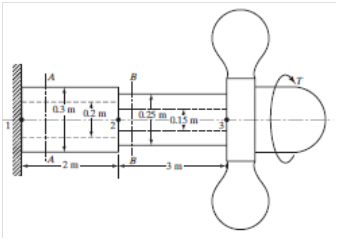
SORU 1.)

Şekilde görülen Çelik pervane milinin 2 boru ucuna bağlandı görülmektedir. Pervane çalışırken her boru ayrı yay sabiti olarak düşünüldüğünde Her ikisinin yerine geçecek eşdeğer yay sabitini belirleyiniz.(G=80×109)
ÇÖZÜM: Milin 12 ve 23 segmentlerini birlikte yay olarak düşünmemiz gerekiyor. Şaftın herhangi bir enine kesitinde (AA veya BB gibi) indüklenen torkun, pervanede (T) uygulanan torka eşit olduğu görülebilir. İki bölüm 12 ve 23 seri yaylar olarak kabul edilir. Her parçanın yay katsayısını bulalım.

SORU 2.)

Su tankının sütunu 345 feet yüksekliğindedir. iç çapı 9 feet ve dış çapı 12 feet olan borusal iç kesite sahip takviyeli betondan malüldür tank su dolu iken ağırlığı 6×105 lb kütlesini ihmal ederek ve takviyeli betonun modülü 4 x 106 psi dir.
a. su tankının yatay salınım doğal frekansını ve doğal zaman periyodunu
b. su tankının 10 inç boyunda bir ilk yatay yer değiştirme ile oluşan titreşim cevabını bulunuz.
ÇÖZÜM: Milin Su tankı ankastre kiriş gibi modellenebilir. İlk önce ft değerlerini inç olarak çevirelim.
( 1ft = 12 inç )


SORU 3.)

3 Şekildeki konsol Kiriş serbest ucunda bir M kütlesi taşımaktadır. bir m kütlesi h yüksekliğinden M kütlesi üstüne düşmektedir. Sekmeden ona yapışmaktadır. Kirişin Neticede oluşan enine titreşimi inceleyiniz.
ÇÖZÜM: M kütlesi h yüksekliğinden düştüğünde M kütlesine bir hızda vuracaktır. Burada g yerçekimine bağlı ivmedir. Enerjinin korunumu prensibine göre bulunur.
YY = M 'nin statik denge konumu
ZZ = M+ m 'nin statik denge konumu



SORU 4.)

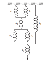
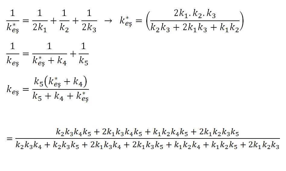
Şekilde gösterilen Seri ve paralel bağlı yayınların yerine eşdeğer yay sabiti gösteriniz.
ÇÖZÜM:


SORU 5.)

Bir araç zayıf sünümlü olarak tasarlanmış modeli Şekil a’da gösterilmiştir. Araç kütlesi 350 kg süspansiyon sistemi yol tümseğinden dolayı bir ilk kıza maruz kalır. yer değiştirme zaman eğrisi Şekil b de gösterilmiştir. Titreşimin sönümlü periyodu 2 s Yer değiştirme zamana göre x2=(x1)/2 olacak şekilde değişmektedir maksimum yer değiştirme 240 mm olması için minimum gerekli ilk hızı bulunuz.



SORU 6.)

Alüminyum ve çelikten yapılan kompozit Pervane şahtı şekilde gösterilmiştir. şaftın eşdeğer burulma yay sabitinin bulunuz. Kayma modülleri Gçelik=78 GPa ve GAlüminyum=24 GPa






